ISO-KF Flange to PVC Hose Adapters
Model: 100316405
ISO-KF Flange to PVC Hose Adapters
Model: 100316405

Overview
Overview
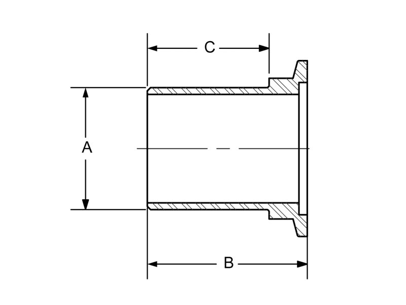
The 100316405 ISO-KF Flange Adapter is used to convert a NW40 size ISO-KF vacuum flange for use with 1 1/2 inch diameter PVC vacuum hose. This Series 31 adapter is made with 304 stainless steel and should be used with hose clamps.
Technical Specs
- Component TypeHose Adapter
- SeriesSeries 31
- MaterialStainless Steel
- Flange TypeISO-KF
- Flange SizeNW40
- Length1.97 in. (50 mm)
- Outer Diameter1.5 in. (38.1 mm)
- Hose Size1.5 in.
- Dimension "A"1.5 in.
- Dimension "B"1.97 in.
- Dimension "C"1.50 in.

Technical Specs
- Component TypeHose Adapter
- SeriesSeries 31
- MaterialStainless Steel
- Flange TypeISO-KF
- Flange SizeNW40
- Length1.97 in. (50 mm)
- Outer Diameter1.5 in. (38.1 mm)
- Hose Size1.5 in.
- Dimension "A"1.5 in.
- Dimension "B"1.97 in.
- Dimension "C"1.50 in.

