High Vacuum Ball Valves
Model: BALL-33894
High Vacuum Ball Valves
Model: BALL-33894

Overview
Overview
The BALL-33894 2-Way High Vacuum Pneumatic Ball Valve features air-open / spring-close actuation with a NW63 port and ISO-MF flange. 2-way high vacuum ball valves are made of a body, stem, ball, and end caps. The ball is sealed within the body by end caps creating a vacuum tight central cavity. The valve is opened and closed by turning the stem 90° back and forth (1/4 turn). The sealing seat for the ball wipes the ball clean as it is opened and closed. This feature provides the “self-cleaning” action that makes this valve robust in particle-rich effluent streams.
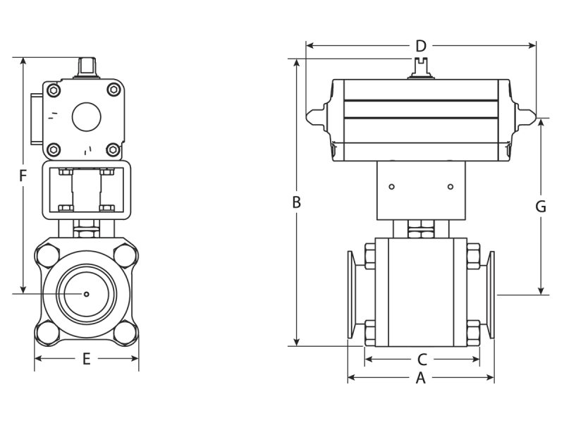
Technical Specs
- Type2-way Ball Valve
- Port SizeNW63
- Flange SizeNW63
- Flange TypeISO-MF
- Helium Leak Rate<1 X 10-9 std.cc/sec.
- ActuationPneumatic
- Body Materials316L stainless steel
- SealViton
- SeatTeflon
- Maximum Bakeout Temperature150°C
- Ball Port Diameter2.38 in.
- Tube Outer Diameter2.50 in.
- Dimension "A"5.10 in.
- Dimension "B"13.50 in.
- Dimension "C"2.80 in.
- Dimension "D"10.90 in.
- Dimension "E"5.90 in.
- Dimension "F"10.80 in.
- Dimension "G"7.50 in.
Technical Specs
- Type2-way Ball Valve
- Port SizeNW63
- Flange SizeNW63
- Flange TypeISO-MF
- Helium Leak Rate<1 X 10-9 std.cc/sec.
- ActuationPneumatic
- Body Materials316L stainless steel
- SealViton
- SeatTeflon
- Maximum Bakeout Temperature150°C
- Ball Port Diameter2.38 in.
- Tube Outer Diameter2.50 in.
- Dimension "A"5.10 in.
- Dimension "B"13.50 in.
- Dimension "C"2.80 in.
- Dimension "D"10.90 in.
- Dimension "E"5.90 in.
- Dimension "F"10.80 in.
- Dimension "G"7.50 in.
Resources & Downloads
Literature
2-Way High Vacuum Ball Valves(250.8 kB, PDF)

