ISO-MF conical adapters use a high conductance conical profile to adapt ISO-MF vacuum flanges to smaller ISO-KF flanges.
- Adapt ISO-MF to ISO-KF flanges
- High conductance conical profile
- 304 Stainless Steel construction See All Features
| Compare | Description | Drawings, CAD & Specs | Avail. | Price | ||
|---|---|---|---|---|---|---|
![]() | 100765006ISO-MF Flange Adapter, NW63 ISO-MF to NW40 ISO-KF, Conical Profile | |||||
![]() | 100765008ISO-MF Flange Adapter, NW80 ISO-MF to NW50 ISO-KF, Conical Profile | |||||
![]() | 100765016ISO-MF Flange Adapter, NW80 ISO-MF to NW40 ISO-KF, Conical Profile | |||||
![]() | 100765017ISO-MF Flange Adapter, NW63 ISO-MF to NW50 ISO-KF, Conical Profile | |||||
![]() | 100765018ISO-MF Flange Adapter, NW100 ISO-MF to NW50 ISO-KF, Conical Profile |
Specifications
Features
ISO Universal Vacuum Flange System
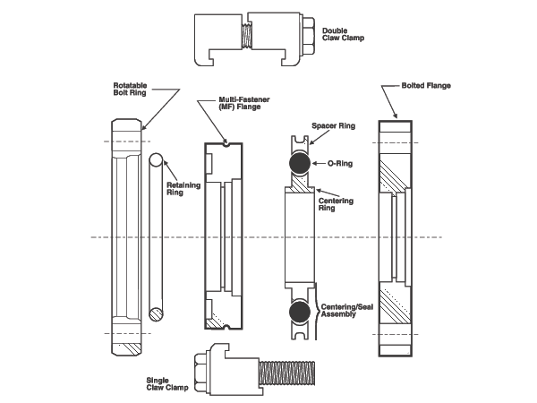
Series 76 ISO flange components are a vacuum flanging system for 63 mm to 1000 mm fittings. The dimension criteria are based on requirements established by the International Standards Organization (ISO). There are two flange styles in the ISO-Universal system: ISO-MF (multi-fastener flange) and ISO-BF (bolted flange). These flanges are also referred to as ISO-LF (large flange), ISO-K, ISO Universal, or as plain "ISO" flanges.
There are several advantages in the use of ISO components. One advantage is that the flange is “sexless.” The seal is on a symmetrical centering ring that interfaces with two identical flanges. In addition, ISO Universal flanges are more compact than ASA flanges, which were designed for pressure and are unnecessarily massive for vacuum use. Since these flanges are an ISO standard, they can be used with components from other manufacturers.
Series 76 flanges and components are made of type 304 stainless steel. Centering ring and seal assemblies are offered with an aluminum centering ring and spacer ring, or with a stainless centering ring and an aluminum spacer ring. Rotatable bolt rings and clamps are made of aluminum alloy. Retaining rings are made of steel. Flange seal surfaces are carefully machined and inspected for defects. They are cleaned and packaged to remain clean and protected in shipping. The Series 76 ISO-Universal flange components can be connected in various ways.
Double Claw ISO-MF Flange Clamps
Pairs of ISO-MF multi-fastener vacuum flanges can be joined by using our double claw flange clamps. This is usually the most economical arrangement for connecting ISO-MF flanges. Double claw flange clamps include two Aluminum flange clamps with a Stainless Steel bolt and washer.
Rotatable Bolt Rings
You can join an ISO-BF bolted flange to an ISO-MF an ISO-MF Multi-fastener flange by using a rotatable bolt ring on the ISO-MF flange. In attaching a rotatable bolt ring to an MF flange, the ring is first passed over the flange with the larger bore of the ring facing outward from the open port. The split retaining ring is then snapped into the groove on the periphery of the ISO-MF flange. Then the bolt ring is pulled forward into position. The vacuum flanges are then joined using nuts and bolts.
Single Claw Flange Clamps
An ISO-MF multi-fastener vacuum flange can be joined to a tapped ISO-BF bolted vacuum flange using single claw flange clamps. Tapped flanges are found on some valve bodies. Alternatively, a rotatable bolt ring could have been used with an MF flange to obtain the same result shown. ISO-MF single claw flange clamps have a single Aluminum clamp with a Stainless Steel bolt and washer.
Centering Ring Seal Material Options
There are a variety of choices available when selecting centering ring assemblies. Use Viton where temperatures, chemical resistance or long installed life make it beneficial. Use Buna-N where temperatures are moderate, and installed useful life is consistent with this material. The centering ring is available in stainless steel or aluminum. Use stainless steel where chemical resistance is needed. Flanges and seals are designed to be tightened to metal to metal contact. The torque rating for clamps and bolts is 7 to 10 pounds per foot.
ISO-MF Vacuum Flange Applications
The Series 76 ISO-MF vacuum flange component system is used in a variety of industries from process manufacturing to semiconductor fabrication to thin film deposition. Some uses in vacuum systems are:
- Roughing and foreline plumbing for large vacuum systems
- High vacuum, high conductance, interconnections
- Modular systems which will be modified frequently
- Experimental systems in research laboratories
ISO-Universal flange components using elastomer seals are primarily designed for use at subatmospheric pressure. When elastomer seals are used without baking, typical limiting pressures may be around 10-6 Torr. Baked systems using Viton can be used to 10-8 Torr.
Resources
Literature
Series 76 ISO-Universal Vacuum Components & Fittings(2.8 MB, PDF)















